LabVIEW-OPCUA-XML-Library README
自动同步来源: NEVSTOP-LAB/LabVIEW-OPCUA-XML-Library 导入规则:README 包含不少于 50 个中文字符时导入,正文保持原文。
LabVIEW OPCUA XML Library
Use a XML configuration file to create the NI OPCUA Server.
NI OPCUA 根据xml配置文件自动创建Server.
目的
- 数据点多opcua Server 的情况,使用程序创建, 比较复杂。当增加新的数据点时,需要修改源程序,风险大,容易对之前的程序产生影响。
- OPCUA Server 可以作为数据、配置、命令中心,协调不同终端设备之间的通讯。不同设备根据配置文件,就可以知道其他设备的数据地址。从而可以并行开发。
使用方法
根据xml 自动创建OPCUA Server,原本的程序只需要将创建UA Server API替换即可。
1)自动创建的VI将替换原有以下几个VI:
* Create.vi
* Add Trusted Clients.vi
* Add Folder.vi
* Add Item.vi
* Add Property.vi

2) 创建OPCServer的逻辑,使用自动创建VI,可以得到简化。

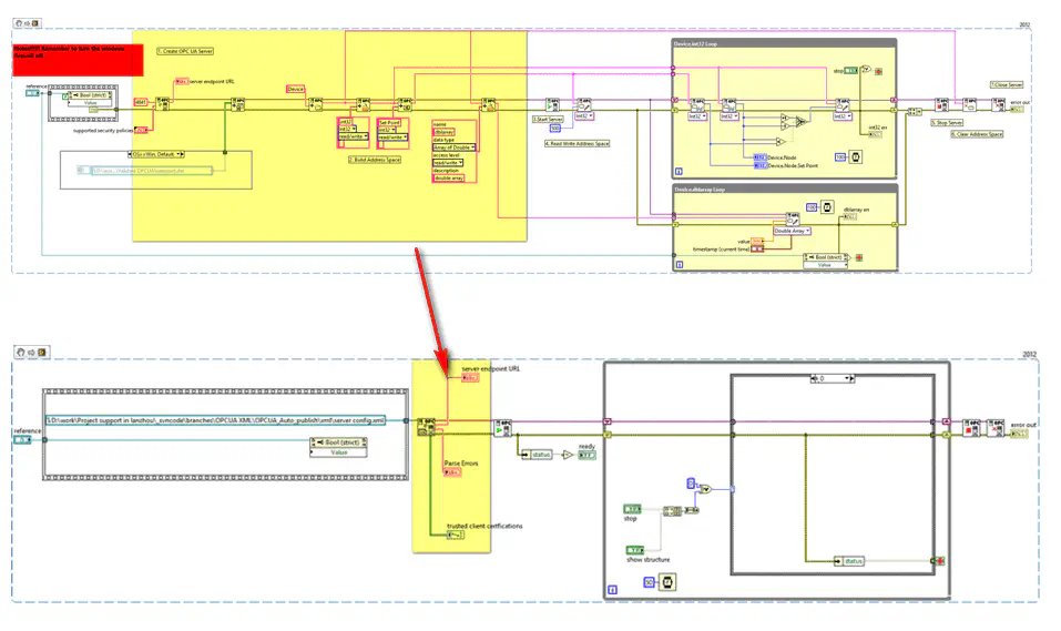
3) 示例: 下图中,上图为创建三个数据点的程序写法,下图为使用自动发布VI的程序写法。 当数据点增加时,上图的程序逻辑迅速变复杂,下图不会有任何改变,只需要修改xml文件。

xml 设计
xml 文件的设计,请参照样本xml进行修改。简单的说明如下:
* Required 字段必须包含在xml中,Optional 字段可以按照说明保留,也可以完全去除。
* 具有一定的容错,例如,policy、数据点的属性不区分大小写。
* 所有可能的数据类型在样本xml中都有包含,NI OPCUA不支持除此之外的数据类型。
* Server 为根目录,包含name、port、policy、serverCertification、trustedClientCertifications、structure节点。
* Structure 为Server内部结构,包含三个主要节点 folder、item、property。
* folder 为文件夹,只包含子folder、item。
* item 为数据节点,有name、access、datatype、initValue 属性,包含property。
* property 为数据节点,有name、access、datatype、initValue 属性。
<!-- cer 可以只填文件名,例如 base64.cer,在 Windows 系统中,默认在 application folder 中, 在 RT 系统中,默认为 /ni-rt/startup/ 中-->
<!-- * e.g. C:\Users\yaoli\AppData\Roaming\alipay\cf\base64.cer -->
<!-- * e.g. base64.cer -->
常见的 OPCUA 问题解决方法
1. OPCUA Certification 位置
参考 http://zone.ni.com/reference/en-XX/help/376230A-01/opcuatool/protecting_opcua_data_item/。
- Window Default Certificate File 位置: C:\ProgramData\National Instruments\certstore\opcua\
- Linux RT Default Certificate File 位置: /var/local/natinst/certstore/opcua/
2. Certificate 过期问题 Solution
使用 OPCUA_Utility.lib/Create Cert.vi 创建一个在时间有效期内的证书,拷贝到RT的Certificate File 位置,替换原本过期的证书。
3. Error -356653:The status of the OPC UA server is uncertain.
参考 https://forums.ni.com/t5/LabVIEW/OPC-UA-connection-problem/td-p/3750719
常在 LabVIEW 2017 中发现。与DNS 有关,在 HOST 文件中定义 IP 与 cRIO/PXI 等OPCUA Server 宿主机HostName 关联关系,可以解决。